POH Section 7, Airplane and Systems Description YouTube

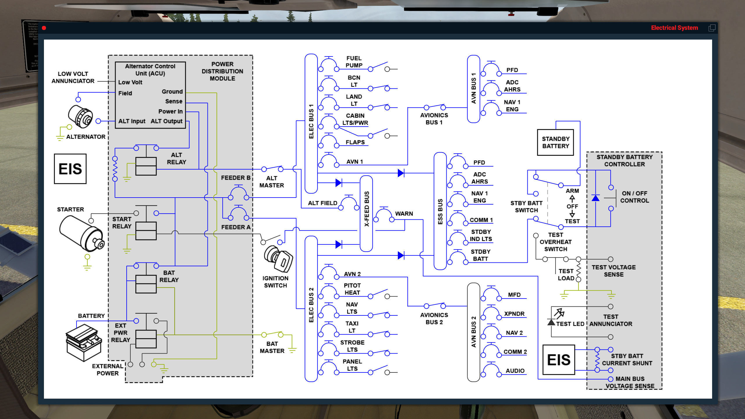
C172s Electrical System. 172 Electrical system YouTube Having had to come to grips with, diagnose, and repair alternator faults in both a 35yo Toyota Landcruiser (utterly conventional for its time, mechanical external regulator, six power diodes, no exciter diodes, very similar to the 172) and a 60yo Vespa (forget everything you thought you knew, this is regulated AC, no. Main bus voltage is measured at the WARN circuit breaker.

Wrong ammeter readings on Cessna 172SP classic Aircraft & Systems
Wrong ammeter readings on Cessna 172SP classic Aircraft & Systems from forums.flightsimulator.com

Main bus voltage is measured at the WARN circuit breaker. The airplane is equipped with a 28-volt direct current (DC) electrical system consisting of a belt-driven 60-ampere alternator and a 24- volt main storage battery

Wrong ammeter readings on Cessna 172SP classic Aircraft & Systems

Houses all of the relays used in the electrical system, as well as the Alternator Control Unit and the External Power connector. Having had to come to grips with, diagnose, and repair alternator faults in both a 35yo Toyota Landcruiser (utterly conventional for its time, mechanical external regulator, six power diodes, no exciter diodes, very similar to the 172) and a 60yo Vespa (forget everything you thought you knew, this is regulated AC, no. Here you will learn how electricity is generated and distributed thr.

Cessna 172 Wiring Schematic 4K Wallpapers Review. In this video, we show the components of the electrical system on board the Cessna 172S Belt-driven 28 volt 60 ampere Powers the electrical system, controlled by the red ALT MASTER switch.

Cessna 172 Wiring Schematic Wiring Diagram. Individual system circuit breakers are found on the circuit breaker panel below the pilot's control wheel Having had to come to grips with, diagnose, and repair alternator faults in both a 35yo Toyota Landcruiser (utterly conventional for its time, mechanical external regulator, six power diodes, no exciter diodes, very similar to the 172) and a 60yo Vespa (forget everything you thought you knew, this is regulated AC, no.